- Технические характеристики и другая информация предоставляются для справки.
- Чертежи и изображения представлены для ознакомления
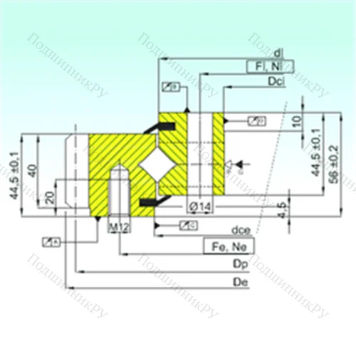
Подшипник роликовый опорно-поворотный ER 1.14.0844.201-3STPN
Подшипник роликовый опорно-поворотный ER1.14.0844.201-3STPN поставляется в разборном исполнении, благодаря чему процесс монтажа и демонтажа в значительной степени облегчен. Имеет латунный, полиамидный или алюминиевый сепаратор, может идти без шин. Сдвоенные варианты обеспечивают прочный крепеж вала.
Чем характеризуется Подшипник роликовый опорно-поворотный ER1.14.0844.201-3STPN?
- Создан для эксплуатации в узлах, подвергающихся нагрузкам осевого типа, и может монтироваться только на вертикальных валах.
- Обладает более широкой зоной передачи усилий в сравнении с шарикоподшипниковыми аналогами, однако предназначен исключительно для работы с малыми скоростями вращения.
- Нуждается в периодическом техобслуживании из-за более высокого сопротивления скольжению подшипниковых тел, для чего на поверхности корпуса имеется специальной смазочное отверстие для доставки смазки внутрь.
- Отличается малыми габаритами, что позволяет устанавливать его в местах с ограниченным пространством.
- Отвечает уровню качества отечественных ГОСТов 29242-91, 23526-79, 27057-86 и стандартам ИСО международного уровня.
Желаете купить Подшипник роликовый опорно-поворотный ER1.14.0844.201-3STPN ГОСТ или его (аналог ISO), также прочие надежные изделия FAG, KOYO, NSK, SKF, SNR в нашем магазине!
Технические характеристики
Обозначение : ER1.14.0844.201-3STPN
Размеры, мм : 774x950.1x56
Производитель : ISB
Диаметр внутренний, мм : 774
Диаметр наружный, мм : 950,1
Высота, мм : 56
Технические данные из каталога производителя :
Внутренний диаметр (d) - 774 мм.
Наружный диаметр (D) - 950,1 мм.
Высота (H) - 56 мм.
Размер (Z) - 117
Размер (m) - 8 мм.
Размер (di) - 843
Размер (Dp) - 936
Размер (De) - 950,1
Размер (Fe) - 885
Размер (Ne) - 36
Размер (Fi) - 798
Размер (Ni) - 40
Размер (Dci) - 774
Размер (dce) - 847
Масса - 71 Кг
Вид Продукции - Подшипники
Количество дорожек качения - 1
Уплотнение - Есть
|
Производитель
|
ISB |
|
Ширина B
|
56 |
|
Внешний диаметр D
|
950 |
|
Внутренний диаметр d
|
774 |
|
Размер
|
774x950x56 |
|
Вес, кг
|
71 |
|
Модель
|
ER1.14.0844.201-3STPN-ISB |
|
SKU
|
ER1.14.0844.201-3STPN-ISB |
Похожие по размеру
Оформить заказ на нашем сайте легко. Просто добавьте выбранные товары в корзину, а затем перейдите на страницу Корзина, проверьте правильность заказанных позиций и нажмите кнопку «Оформить заказ» или «Быстрый заказ».
Функция «Быстрый заказ» позволяет покупателю не проходить всю процедуру оформления заказа самостоятельно. Вы заполняете форму, и через короткое время вам перезвонит менеджер магазина. Он уточнит все условия заказа, ответит на вопросы, касающиеся качества товара, его особенностей. А также подскажет о вариантах оплаты и доставки.
По результатам звонка, пользователь либо, получив уточнения, самостоятельно оформляет заказ, укомплектовав его необходимыми позициями, либо соглашается на оформление в том виде, в котором есть сейчас. Получает подтверждение на почту или на мобильный телефон и ждёт доставки.
Если вы уверены в выборе, то можете самостоятельно оформить заказ, заполнив по этапам всю форму.
Выберите из списка название вашего региона и населённого пункта. Если вы не нашли свой населённый пункт в списке, выберите значение «Другое местоположение» и впишите название своего населённого пункта в графу «Город». Введите правильный индекс.
В зависимости от места жительства вам предложат варианты доставки. Выберите любой удобный способ.
Оплата
Выберите оптимальный способ оплаты.
Введите данные о себе: ФИО, адрес доставки, номер телефона. В поле «Комментарии к заказу» введите сведения, которые могут пригодиться курьеру, например: подъезды в доме считаются справа налево.
Проверьте правильность ввода информации: позиции заказа, выбор местоположения, данные о покупателе. Нажмите кнопку «Оформить заказ».
Наш сервис запоминает данные о пользователе, информацию о заказе и в следующий раз предложит вам повторить к вводу данные предыдущего заказа. Если условия вам не подходят, выбирайте другие варианты.

