- Технические характеристики и другая информация предоставляются для справки.
- Чертежи и изображения представлены для ознакомления
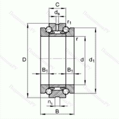
Подшипник шариковый упорно-радиальный 234406-M-SP
Подшипник шариковый упорно-радиальный 234406-M-SP конструкция которого является разборной и включает в себя свободное и тугое кольца, а также сепаратор (чаще всего, стальной) и комплект шариков, которые могут устанавливаться отдельно, что упрощает процесс установки и демонтажа системы. Существуют одинарные и двойные варианты: первый состоит из двух шин и шарикоподшипников, оснащенных сепараторной оболочкой, и может воспринимать однонаправленное воздействие, а второй отличается лишь наличием пары комплектов тел качения и восприятием двунаправленных сил.
В чем плюсы и особенности Подшипник шариковый упорно-радиальный 234406-M-SP?
- Работает только с нагрузками осевого типа и не рассчитан на воздействие радиального вектора приложения сил.
- Характеризуется повышенной стойкостью к рабочим нагрузкам, что позволяет увеличить срок эксплуатации по сравнению с иными моделями.
- Отвечает уровню качества, закрепленному в международных нормах ИСО, российских ГОСТах, японских, американских и немецких стандартах.
Приобретайте с выгодой для бюджета Подшипник шариковый упорно-радиальный 234406-M-SP ГОСТ или его (аналог ISO), также прочие надежные изделия FAG, KOYO, NSK, SKF, SNR в нашем интернет-магазине!
Технические характеристики
Обозначение : 234406-M-SP
Размеры, мм : 30x55x32
Производитель : FAG
Диаметр внутренний, мм : 30
Диаметр наружный, мм : 55
Высота, мм : 32
Технические данные из каталога производителя :
d - 30 mm
D - 55 mm
B - 32 mm
B1 - 8 mm
C - 16 mm
Da - 50,5 mm / допуск: Н12
d1 - 47 mm
da - 40,5 mm / Допуск: h12
ds - 3,2 mm
ns - 4,8 mm
r1 min - 0,15 mm
ra max - 1 mm
ra1 max - 0,15 mm
rmin - 1 mm
α - 60 ° / Угол контакта
m - 0,297 kg / Вес
Ca - 15300 N / динамическая грузоподъемность, осевая
C0a - 36000 N / статическая грузоподъемность, осевая
nG Fett - 11000 1/min / Предельная частота вращения при консистентной смазке
nG Ol - 16000 1/min / Предельная частота вращения для системы смазывания минимальным количеством масла
Cua - 3250 N / нагрузка предела усталости, осевая
двустороннего действия, разъемные, суженные поля допусков
| 
																Производитель
															 | FAG | 
| 
																Ширина B
															 | 32 | 
| 
																Внешний диаметр D
															 | 55 | 
| 
																Внутренний диаметр d
															 | 30 | 
| 
																Размер
															 | 30x55x32 | 
| 
																Вес, кг
															 | 0.297 | 
| 
																Модель
															 | 234406-M-SP-FAG | 
| 
																SKU
															 | 234406-M-SP-FAG | 
Похожие по размеру
Оформить заказ на нашем сайте легко. Просто добавьте выбранные товары в корзину, а затем перейдите на страницу Корзина, проверьте правильность заказанных позиций и нажмите кнопку «Оформить заказ» или «Быстрый заказ».
Функция «Быстрый заказ» позволяет покупателю не проходить всю процедуру оформления заказа самостоятельно. Вы заполняете форму, и через короткое время вам перезвонит менеджер магазина. Он уточнит все условия заказа, ответит на вопросы, касающиеся качества товара, его особенностей. А также подскажет о вариантах оплаты и доставки.
По результатам звонка, пользователь либо, получив уточнения, самостоятельно оформляет заказ, укомплектовав его необходимыми позициями, либо соглашается на оформление в том виде, в котором есть сейчас. Получает подтверждение на почту или на мобильный телефон и ждёт доставки.
Если вы уверены в выборе, то можете самостоятельно оформить заказ, заполнив по этапам всю форму.
Выберите из списка название вашего региона и населённого пункта. Если вы не нашли свой населённый пункт в списке, выберите значение «Другое местоположение» и впишите название своего населённого пункта в графу «Город». Введите правильный индекс.
	 В зависимости от места жительства вам предложат варианты доставки. Выберите любой удобный способ. 
	
	Оплата
Выберите оптимальный способ оплаты.
Введите данные о себе: ФИО, адрес доставки, номер телефона. В поле «Комментарии к заказу» введите сведения, которые могут пригодиться курьеру, например: подъезды в доме считаются справа налево.
Проверьте правильность ввода информации: позиции заказа, выбор местоположения, данные о покупателе. Нажмите кнопку «Оформить заказ».
Наш сервис запоминает данные о пользователе, информацию о заказе и в следующий раз предложит вам повторить к вводу данные предыдущего заказа. Если условия вам не подходят, выбирайте другие варианты.

 
                                            
                                        
